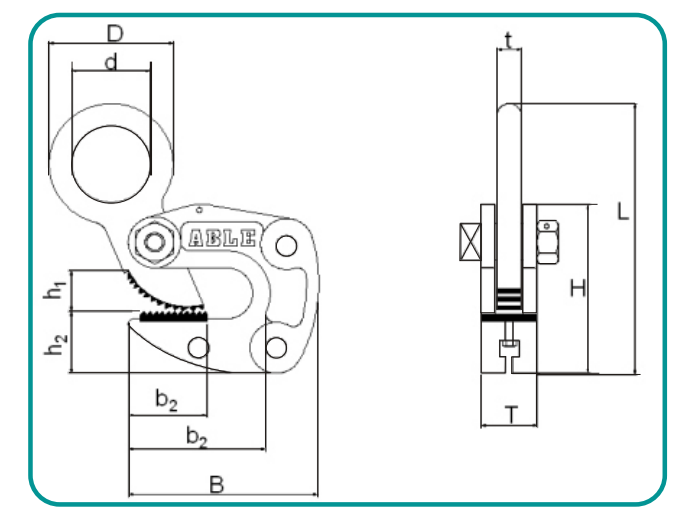
Kẹp HLC được sử dụng để nâng và chuyển các tấm thép theo chiều ngang và đặc biệt phù hợp với ứng dụng này nhờ tấm nền mỏng đặc biệt và cam đệm giúp dễ dàng lắp và tháo dưới tấm được nâng lên. Nó cũng có thể được sử dụng để treo thẳng đứng dưới máy rải. Những chiếc kẹp này có trọng lượng nhẹ so với khả năng nâng của chúng. Xin lưu ý rằng WLL của các kẹp này được đưa ra dựa trên một cặp. Các kẹp phù hợp với độ cứng bề mặt lên tới 37 RC.
 
                        
 
                     
                         
                         
                         
                         
                         
                         
                             
                             
                             
                             
                            




