• Móc tự khóa mắt (GKO)

  • Liên hệ
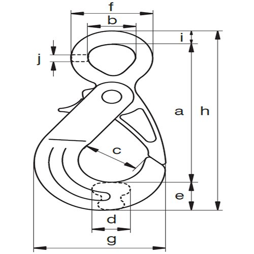
  • Mô tả :

     

Thông tin sản phẩm:

  • Chất liệu: thép hợp kim cấp 8, tôi và tôi luyện
  • Hệ số an toàn: MBL bằng 4x WLL
  • Hoàn thiện: sơn màu vàng (1) hoặc đỏ (R)
  • Chứng nhận: không tính thêm phí, sản phẩm này có thể được cung cấp cùng với chứng chỉ hoạt động và/hoặc Tuyên bố về sự phù hợp của EC

Hướng dẫn sử dụng

Móc nâng phải được kiểm tra trước khi sử dụng để đảm bảo rằng:

  • tất cả các dấu hiệu đều rõ ràng;
  • một hook có WLL chính xác đã được chọn. Tham khảo tiêu chuẩn EN 818 dành cho Dây xích để biết thêm chi tiết;
  • chốt có mặt;
  • chốt có chức năng;
  • bu lông, đai ốc hoặc bất kỳ hệ thống khóa nào khác không thể rung ra khỏi vị trí;
  • móc không bao giờ được gắn ở bên, đầu hoặc phía sau;
  • móc xoay có thể không quay khi có tải;
  • các móc có thể không được xử lý nhiệt vì điều này có thể ảnh hưởng đến WLL của chúng;
  • không bao giờ sửa đổi, sửa chữa hoặc định hình lại móc bằng cách gia công, hàn, nung nóng hoặc uốn cong vì điều này có thể ảnh hưởng đến WLL;
  • móc không có vết khía, vết khoét và vết nứt;

Móc phải được kiểm tra thường xuyên theo các tiêu chuẩn an toàn được đưa ra tại quốc gia sử dụng. Điều này là cần thiết vì các sản phẩm đang sử dụng có thể bị ảnh hưởng bởi các vấn đề như hao mòn, sử dụng sai và quá tải có thể dẫn đến biến dạng và thay đổi cấu trúc vật liệu.

Sản phẩm cùng loại

0937810994
zalo
zalo